10
Hydraulikpumpe 28 Gruppe-3 Flangeforbindelse Med urets retning i gruppen Hydraulik / Hydraulik / Hydraulikpumper hos Sagroparts (HP3F28D)
Video

Hydraulikpumpe 28 Gruppe-3 Flangeforbindelse Med urets retning

2326 DKK / 2094 DKK
Inkl. moms
3–6 arbejdsdagers levering Sporing hele vejen med PostNord
 
Læg i indkøbsvognen
Lägg i kundvagnen
bet alt
  • Info
  • Lagerstatus
    ArtikelnummerHP3F28D
    Producent
    Egenskaber
    - aluminiumhus
    - flange montering
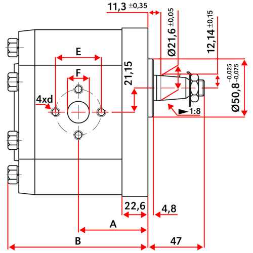
    - konisk aksel 1:8
    - rotationsretning højregående (med uret) D (C)
    - rotationskapacitet 28 cm³/r
    - maks. 3000 rpm
    - maks. tryk 250 bar
    - flow 39,5 l/min (ved 1500 rpm)
    - flow 79,0 l/min (maks. rpm)
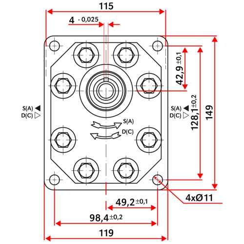
    - A 60,2 mm
    - B 124,7 mm
    - indløb E 40 mm / d M8 / F 19 mm
    - udløb E 40 mm / d M8 / F 19 mm
  • I produktgrupper
  • Hydraulikpumper
  • Anmeldelser

Andre købte også:

FLEKSIBEL KOBLINGSSÆT 63MM HE14 - pålidelig og slidstærk til dine maskiner.
REA
268 DKK 298 DKK
- aksel Ø 24 mm
- pumpe 2-serie, konisk aksel 1:8 (euro)
- type HE14
- aluminium
Køb!
Info
Dobbeltvirkende håndpumpe til hydrauliske systemer og effektivitet.
REA
1257 DKK 1397 DKK
Dobbeltvirkende
25 cm³
Køb!
Info
Log ind
Vælg land