10
Hydraulpumpe 12 Gruppe-2 Flangekobling Medurs i gruppen Hydraulik / Hydraulik / Hydraulikpumper hos Sagroparts (HP2F12D)
Video

Hydraulpumpe 12 Gruppe-2 Flangekobling Medurs

1148 DKK / 1034 DKK
Inkl. moms
3–6 arbejdsdagers levering Sporing hele vejen med PostNord
 
Læg i indkøbsvognen
Lägg i kundvagnen
bet alt
  • Info
  • Lagerstatus
    ArtikelnummerHP2F12D
    Producent
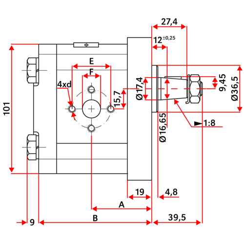
    Egenskaber
    - aluminiums hus
    - flangemontering
    - kegleaksel 1:8
    - omdrejningsretning højregående (med uret) D (C)
    - rotationskapacitet 12 cm³/r
    - maks. 3500 rpm
    - maks. tryk 250 bar
    - flow 16,92 l/min (ved 1500 rpm)
    - flow 39,48 l/min (maks. rpm)
    - A 48,6 mm
    - B 92,3 mm
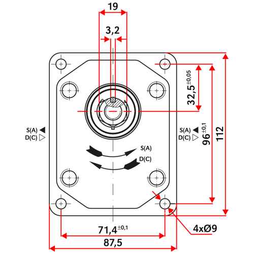
    - indløb E 39,7 mm / F 19 mm / d M8
    - udløb E 30,2 mm / F 14,2 mm / d M6
  • I produktgrupper
  • Hydraulikpumper
  • Anmeldelser

Andre købte også:

FLEKSIBEL KOBLINGSSÆT 63MM HE14 - pålidelig og slidstærk til dine maskiner.
REA
268 DKK 298 DKK
- aksel Ø 24 mm
- pumpe 2-serie, konisk aksel 1:8 (euro)
- type HE14
- aluminium
Køb!
Info
Dobbeltvirkende håndpumpe til hydrauliske systemer og effektivitet.
REA
1257 DKK 1397 DKK
Dobbeltvirkende
25 cm³
Køb!
Info
Log ind
Vælg land