10
Justerbar 8Mm i gruppen Hydraulik / Hydraulik / Hydraulnippel & rørkoblinger hos Sagroparts (DIN20308S)
Video

Justerbar 8Mm

61 DKK / 55 DKK
Inkl. moms
3–6 arbejdsdagers levering Sporing hele vejen med PostNord
 
Læg i indkøbsvognen
Lägg i kundvagnen
bet alt
  • Info
  • Lagerstatus
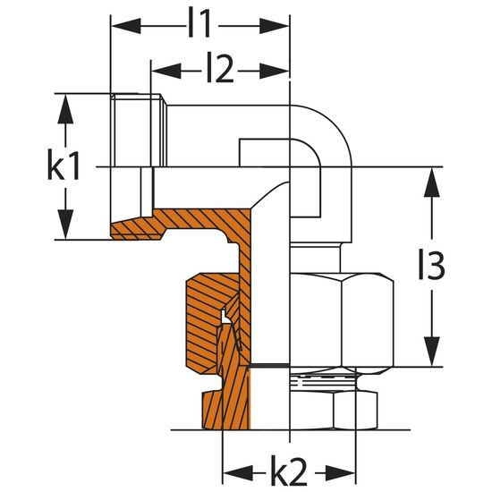
    ArtikelnummerDIN20308S
    Producent
    Egenskaber
    - S-serie (tung)
    - arbejdstyr PN 630
    - rørsstørrelse Ø T: 8 mm
    - S1: 14 mm
    - S2: 19 mm
    - Ø D1: 5 mm
    - Ø D2: 4 mm
    - L1: 24 mm
    - L2: 17 mm
    - L3: 27,5 mm
    - L4: 32 mm
  • I produktgrupper
  • Hydraulnippel & rørkoblinger
  • Anmeldelser

Tilbehør og reservedele

Møtrik 8mm S M16X1.5, konstrueret til at levere sikkerhed og styrke.
REA
8 DKK 9 DKK
Køb!
Info

Andre købte også:

Log ind
Vælg land