Justerbar L-Fitting 25Mm Dkos i gruppen Hydraulik / Hydraulik / Hydraulnippel & rørkoblinger hos Sagroparts (DIN30425DKOS)
Video

Justerbar L-Fitting 25Mm Dkos

414 DKK
Inkl. moms
3–6 arbejdsdagers levering Sporing hele vejen med PostNord
 
Læg i indkøbsvognen
Lägg i kundvagnen
bet alt
  • Info
  • Lagerstatus
    ArtikelnummerDIN30425DKOS
    Producent
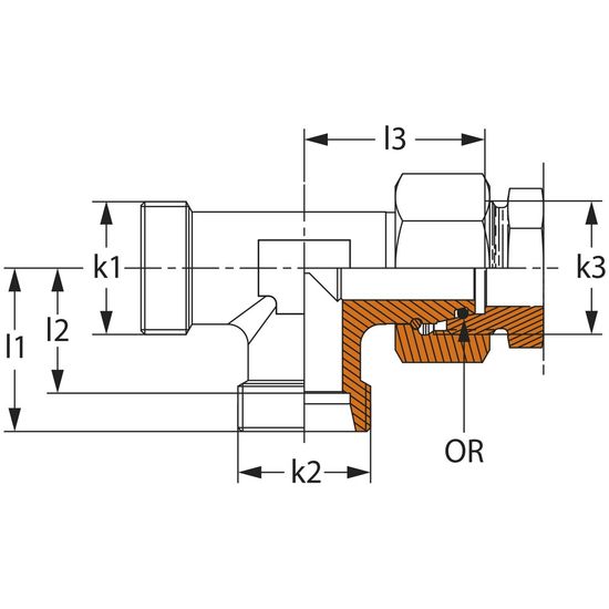
    Egenskaber
    - S-serie (tung)
    - arbejdstryk PN 420
    - rørstørrelse Ø T: 25 mm
    - S1: 36 mm
    - S2: 46 mm
    - Ø D1: 20 mm
    - Ø D2: 18 mm
    - L1: 42 mm
    - L2: 30 mm
    - L3: 50 mm
    - L4: 54 mm
    - OR: 20x2,5
  • I produktgrupper
  • Hydraulnippel & rørkoblinger
  • Anmeldelser

Tilbehør og reservedele

Andre købte også:

Log ind
Vælg land