Justerbar L-Fitting 28Mm Dkol i gruppen Hydraulik / Hydraulik / Hydraulnippel & rørkoblinger hos Sagroparts (DIN30428DKOL)
Video

Justerbar L-Fitting 28Mm Dkol

359 DKK
Inkl. moms
3–6 arbejdsdagers levering Sporing hele vejen med PostNord
 
Læg i indkøbsvognen
Lägg i kundvagnen
bet alt
  • Info
  • Lagerstatus
    ArtikelnummerDIN30428DKOL
    Producent
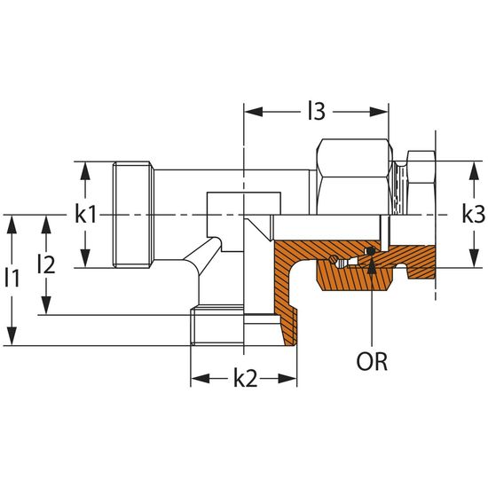
    Egenskaber
    - L-serie (let)
    - arbejdstryk PN 250
    - rørstørrelse Ø T: 28 mm
    - S1: 36 mm
    - S2: 41 mm
    - Ø D1: 24 mm
    - Ø D2: 22 mm
    - L1: 38 mm
    - L2: 30,5 mm
    - L3: 41,5 mm
    - L4: 47 mm
    - OR: 26x2
  • I produktgrupper
  • Hydraulnippel & rørkoblinger
  • Anmeldelser

Tilbehør og reservedele

Andre købte også:

Log ind
Vælg land