10
Justerbar L-Fitting 38Mm Dkos i gruppen Hydraulik / Hydraulik / Hydraulnippel & rørkoblinger hos Sagroparts (DIN30438DKOS)
Video

Justerbar L-Fitting 38Mm Dkos

848 DKK / 764 DKK
Inkl. moms
3–6 arbejdsdagers levering Sporing hele vejen med PostNord
 
Læg i indkøbsvognen
Lägg i kundvagnen
bet alt
  • Info
  • Lagerstatus
    ArtikelnummerDIN30438DKOS
    Producent
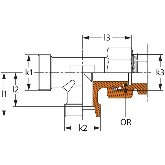
    Egenskaber
    - S-serie (tung)
    - arbejdstryk PN 315
    - rørstørrelse Ø T: 38 mm
    - S1: 50 mm
    - S2: 60 mm
    - Ø D1: 32 mm
    - Ø D2: 30 mm
    - L1: 57 mm
    - L2: 41 mm
    - L3: 63 mm
    - L4: 72 mm
    - OR: 33x2,5
  • I produktgrupper
  • Hydraulnippel & rørkoblinger
  • Anmeldelser

Tilbehør og reservedele

Møtrik 38mm S M52X2, ideel til holdbare og effektive landbrugsapplikationer.
REA
58 DKK 65 DKK
Køb!
Info
Skærring 38mm S - højtydende del til landbrugsudstyr.
REA
35 DKK 39 DKK
Køb!
Info

Andre købte også:

Log ind
Vælg land