Justerbar L-Forskruning 15Mm Dkol i gruppen Hydraulik / Hydraulik / Hydraulnippel & rørkoblinger hos Sagroparts (DIN30415DKOL)
Video

Justerbar L-Forskruning 15Mm Dkol

149 DKK
Inkl. moms
3–6 arbejdsdagers levering Sporing hele vejen med PostNord
 
Læg i indkøbsvognen
Lägg i kundvagnen
bet alt
  • Info
  • Lagerstatus
    ArtikelnummerDIN30415DKOL
    Producent
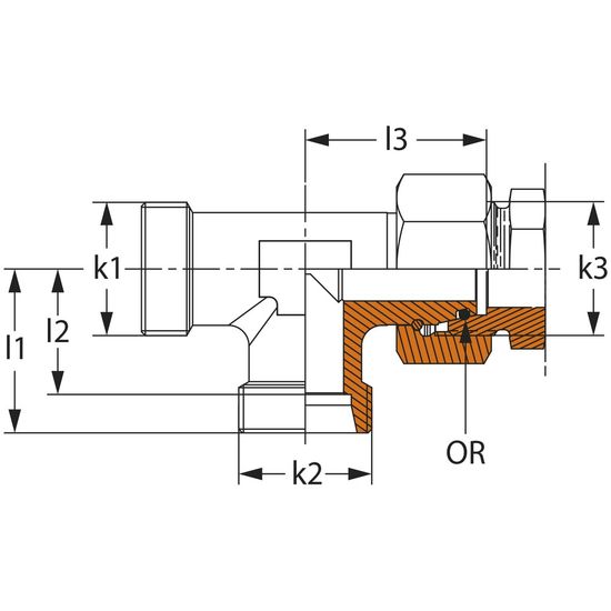
    Egenskaber
    - L-serie (let)
    - arbejdstyr PN 400
    - rørstørrelse Ø T: 15 mm
    - S1: 19 mm
    - S2: 27 mm
    - Ø D1: 12 mm
    - Ø D2: 9,5 mm
    - L1: 28 mm
    - L2: 21 mm
    - L3: 32,5 mm
    - L4: 36 mm
    - OR: 12x2
  • I produktgrupper
  • Hydraulnippel & rørkoblinger
  • Anmeldelser

Tilbehør og reservedele

Andre købte også:

Log ind
Vælg land