10
Justerbar T-Kobling 10Mm i gruppen Hydraulik / Hydraulik / Hydraulnippel & rørkoblinger hos Sagroparts (DIN30310L)
Video

Justerbar T-Kobling 10Mm

69 DKK / 62 DKK
Inkl. moms
3–6 arbejdsdagers levering Sporing hele vejen med PostNord
 
Læg i indkøbsvognen
Lägg i kundvagnen
bet alt
  • Info
  • Lagerstatus
    ArtikelnummerDIN30310L
    Producent
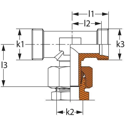
    Egenskaber
    - L-serie (let)
    - arbejdstyk PN 315
    - rørstørrelse Ø T: 10 mm
    - S1: 14 mm
    - S2: 19 mm
    - Ø D1: 8 mm
    - Ø D2: 7 mm
    - L1: 22 mm
    - L2: 15 mm
    - L3: 28,5 mm
    - L4: 30 mm
  • I produktgrupper
  • Hydraulnippel & rørkoblinger
  • Anmeldelser

Tilbehør og reservedele

Andre købte også:

Log ind
Vælg land