10
Justerbar T-Kobling 10Mm Dkol i gruppen Hydraulik / Hydraulik / Hydraulnippel & rørkoblinger hos Sagroparts (DIN30310DKOL)
Video

Justerbar T-Kobling 10Mm Dkol

99 DKK / 89 DKK
Inkl. moms
3–6 arbejdsdagers levering Sporing hele vejen med PostNord
 
Læg i indkøbsvognen
Lägg i kundvagnen
bet alt
  • Info
  • Lagerstatus
    ArtikelnummerDIN30310DKOL
    Producent
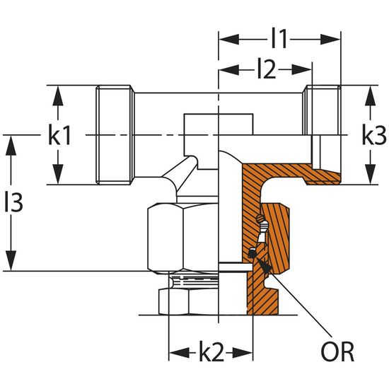
    Egenskaber
    - L-serie (let)
    - arbejdstyk PN 500
    - rørstørrelse Ø T: 10 mm
    - S1: 14 mm
    - S2: 19 mm
    - Ø D1: 8 mm
    - Ø D2: 6 mm
    - L1: 22 mm
    - L2: 15 mm
    - L3: 29 mm
    - L4: 30 mm
    - OR: 7,5x1,5
  • I produktgrupper
  • Hydraulnippel & rørkoblinger
  • Anmeldelser

Tilbehør og reservedele

Andre købte også:

Log ind
Vælg land