10
Justerbar T-Kobling 12Mm Dkol i gruppen Hydraulik / Hydraulik / Hydraulnippel & rørkoblinger hos Sagroparts (DIN30312DKOL)
Video

Justerbar T-Kobling 12Mm Dkol

109 DKK / 98 DKK
Inkl. moms
3–6 arbejdsdagers levering Sporing hele vejen med PostNord
 
Læg i indkøbsvognen
Lägg i kundvagnen
bet alt
  • Info
  • Lagerstatus
    ArtikelnummerDIN30312DKOL
    Producent
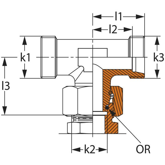
    Egenskaber
    - L-serie (let)
    - arbejdstyk PN 400
    - rørstørrelse Ø T: 12 mm
    - S1: 17 mm
    - S2: 22 mm
    - Ø D1: 10 mm
    - Ø D2: 7,5 mm
    - L1: 24 mm
    - L2: 17 mm
    - L3: 29,5 mm
    - L4: 32 mm
    - OR: 9x1,5
  • I produktgrupper
  • Hydraulnippel & rørkoblinger
  • Anmeldelser

Tilbehør og reservedele

Møtrik 12Mm L M18X1.5, ideel til at sikre robuste fastgørelser.
REA
10 DKK 11 DKK
Køb!
Info
Skærring 12 mm LS, perfekt til brug indenfor landbrug og industri.
8 DKK 8 DKK
Køb!
Info

Andre købte også:

Log ind
Vælg land