10
Justerbar T-Kobling 12Mm Dkos i gruppen Hydraulik / Hydraulik / Hydraulnippel & rørkoblinger hos Sagroparts (DIN30312DKOS)
Video

Justerbar T-Kobling 12Mm Dkos

134 DKK / 121 DKK
Inkl. moms
3–6 arbejdsdagers levering Sporing hele vejen med PostNord
 
Læg i indkøbsvognen
Lägg i kundvagnen
bet alt
  • Info
  • Lagerstatus
    ArtikelnummerDIN30312DKOS
    Producent
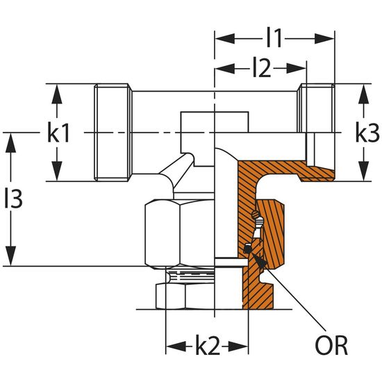
    Egenskaber
    - S-serie (tung)
    - arbejdstyk PN 630
    - rørstørrelse Ø T: 12 mm
    - S1: 17 mm
    - S2: 24 mm
    - Ø D1: 8 mm
    - Ø D2: 7,5 mm
    - L1: 29 mm
    - L2: 21,5 mm
    - L3: 31 mm
    - L4: 38 mm
    - OR: 9x1,5
  • I produktgrupper
  • Hydraulnippel & rørkoblinger
  • Anmeldelser

Tilbehør og reservedele

Kvalitetsmøtrikken 12Mm S M20X1.5, perfekt til maskinmontering.
REA
12 DKK 14 DKK
Køb!
Info
Skærring 12 mm LS, perfekt til brug indenfor landbrug og industri.
8 DKK 8 DKK
Køb!
Info

Andre købte også:

Log ind
Vælg land