Adapter til kabel 1/2
Video

Adapter til kabel 1/2"

517 DKK
Inkl. moms
Sporing hele vejen med PostNord 3–6 arbejdsdagers levering
 
Læg i indkøbsvognen
Lägg i kundvagnen
bet alt
  • Info
  • Lagerstatus
    ArtikelnummerFM801023
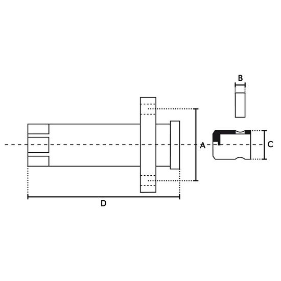
    Egenskaber
    Adapter til 1/2" ventil

    Teknisk specifikation:
    - A boltafstand: 37 mm
    - B tap: 9 mm
    - C hul i muffen: 17,5 mm
    - D rørets længde: 83 mm
  • I produktgrupper
  • Hydraulventiler
  • Anmeldelser

Tilbehør og reservedele

Hydraulikventil 3/8" med max 45 l/min til øget kapacitet og effektivitet ved hydraulikoperationer.
1512 DKK
Type: 1 sektion
Dobbeltvirkende
Køb!
Info

Andre købte også:

Effektiv vælgerventil 6/2, 1/2" 12V til præcisionskontrol i hydraulik.
2282 DKK
Maks. flow 70 l/min
Køb!
Info
1/2" tilbagestrømventil med max flow på 70 l/min, for præcision.
196 DKK
Type: VU
Max. tryk: 350 bar
Køb!
Info
Tilbagestrømventil 3/8 tomme med en max kapacitet på 45 liter pr. minut, ideel til små systemer.
143 DKK
Type: VU
Maks. tryk: 350 bar
Køb!
Info
Håndtag til joystick uden kontakt, perfekt til jævn anvendelse.
329 DKK
Håndtag uden bryder
Køb!
Info
Log ind
Vælg land