Komplet hydraulikpakke 6/2, 1/2" til ekstrakfunktion, f.eks. tredjefunktion - frontlæsser

2838 DKK
Inkl. moms
Sporing hele vejen med PostNord 1–3 arbejdsdagers levering
 
Læg i indkøbsvognen
Lägg i kundvagnen
bet alt
  • Info
  • Lagerstatus
    ArtikelnummerFM2502
    ProducentAGRILIFE
    Egenskabertil ekstrafunktion, fx tredje funktion - frontlæssere
    Maks. flow 60 l/min

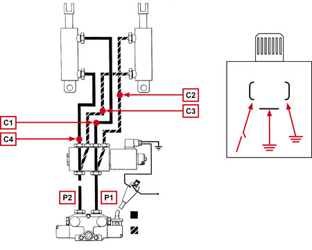
    En enkel og billig måde at få mere ud af maskinens hydraulik. Med dette komplette hydraulikpakke kan du fra eksisterende dobbeltvirkende udtag få to dobbeltvirkende udtag.

    Hydraulikpakken kan monteres midlertidigt og permanent på traktor eller arbejdsmaskine.

    I normal tilstand passerer den oprindelige hydraulik gennem ventilen til A- og B-porten, og når den elektriske ventil aktiveres, skifter flowet til udtag C og D.  

    Teknisk specifikation 6/2 vælgerventil:
    - spænding: 12 V
    - tilslutninger BSP: 1/2"
    - maks. flow: 60 l/min
    - maks. tryk: 250 bar
    - slangelængde: 700 mm

    Hurtigkobling hun 1/2"
    - 2NV hurtigkobling hun A-serien
    - udskiftelig i henhold til standard ISO 7241-1 A
    - kan ikke kobles til/afkobles under tryk
    - størrelse 1/2"
    - gevind G 1/2" -14
    - flow 60 l/min
    - arbejdstryk 250 bar
    - sprængtryk 1000 bar

    Hurtigkobling han 1/2"
    - udskiftelig i henhold til ISO 7241-1 B standard
    - til industriel brug
    - kan ikke kobles til/afkobles under tryk
    - arbejdstryk 350 bar
    - flow 75 l/min
    - sprængtryk 1400 bar
    - gevind BSP 1/2" han
  • I produktgrupper
  • Hydraulventiler
    Storsælgere
  • Anmeldelser

Tilbehør og reservedele

Andre købte også:

Økonomisk 12V universel brændstofpumpe, ideel til mange køretøjer.
228 DKK
- 12 V
- 100 l/h
- 0,4 bar
Køb!
Info
Universal stolovertræk der passer til de fleste modeller for god beskyttelse.
REA
209 DKK 231 DKK
- passer til de fleste traktorer
- vandtæt og smudsafvisende
Køb!
Info
Kvalitets dørstopper til at holde døren på plads og undgå skader.
82 DKK
- Ø 38 mm
Køb!
Info
Log ind
Vælg land