Komplet hydraulikpakke 6/2, 3/8
Video

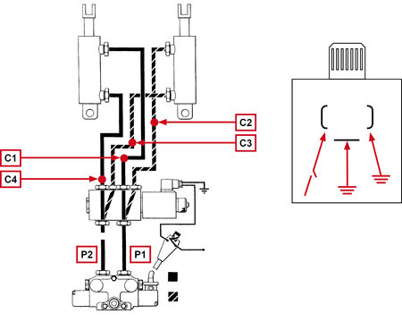
Komplet hydraulikpakke 6/2, 3/8" til ekstrakfunktion, f.eks. tredjefunktion - frontlæsser

3042 DKK
Inkl. moms
3–6 arbejdsdagers levering Sporing hele vejen med PostNord
 
Læg i indkøbsvognen
Lägg i kundvagnen
bet alt
  • Info
  • Lagerstatus
    ArtikelnummerFM2503
    ProducentAGRILIFE
    Egenskaber3/8"
    til ekstrafunktion, fx tredje funktion - frontlæssere
    Maks. flow 50 l/min
    - 6/2-ventil (såkaldt vælgevensil)
    - Ved hjælp af vælgevensilen kan du nemt øge antallet af hydrauliklinjer på maskinen og få mere ud af hydraulikken. I de fleste maskiner er installation af ekstra ventiler meget dyr og besværlig, så denne ventil tilbyder en omkostningseffektiv løsning.
    - Ventilen styres med en elektrisk kontakt, som enten kan være en trykknap eller en fast kontakt.
    - Anvendelsesområder: arbejds-maskiner, foderklippere, forskellige front- og baglæssere, hydrauliske skubbe-arme og tiltningsregulatorer, andre tilsvarende hydrauliske redskaber
    - Ventilen kan også monteres direkte på maskinen. Den er af stabelbar model, hvilket betyder, at en anden tilsvarende ventil kan kobles i serie, hvorved hydraulikken får to ekstra linjer.
    - Når du sammenkobler én eller flere ventiler, anbefales det at bruge mindst bolte eller gevindstænger i styrkeklasse 8.8.

    Tekniske data:
    - Spænding 12 V
    - Tilslutninger 1/2" ISO A traktor lynkobling 2 x han, 4 x hun
    - Maks. flow 50 l/min
    - Maks. tryk 315 bar (drænlinje tilsluttet) / 210 bar (drænlinje ikke tilsluttet)
    - Slanger 2SC 3/8", længde 900 mm
  • I produktgrupper
  • Hydraulventiler
  • Anmeldelser

Tilbehør og reservedele

Andre købte også:

Effektiv vælgerventil 6/2, 1/2" 12V til præcisionskontrol i hydraulik.
1807 DKK
Maks. flow 70 l/min
Køb!
Info
1/2" tilbagestrømventil med max flow på 70 l/min, for præcision.
196 DKK
Type: VU
Max. tryk: 350 bar
Køb!
Info
Tilbagestrømventil 3/8 tomme med en max kapacitet på 45 liter pr. minut, ideel til små systemer.
143 DKK
Type: VU
Maks. tryk: 350 bar
Køb!
Info
Håndtag til joystick uden kontakt, perfekt til jævn anvendelse.
329 DKK
Håndtag uden bryder
Køb!
Info
Log ind
Vælg land