Hætte 3/8 Inv Messing i gruppen Hydraulik / Pneumatik / Adaptere og rørkoblinger hos Sagroparts (MWA806)
Video

Hætte 3/8 Inv Messing

41 DKK
Inkl. moms
3–6 arbejdsdagers levering Sporing hele vejen med PostNord
 
Læg i indkøbsvognen
Lägg i kundvagnen
bet alt
  • Info
  • Lagerstatus
    ArtikelnummerMWA806
    ProducentMETAL WORK
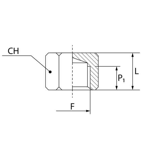
    Egenskaber
    - blindmuffe (A8)
    - materiale OT58 messing
    - arbejdstryk maks. 60 bar
    - gevind G 3/8"

    Mål (mm):
    - F 3/8"
    - CH 20
    - P1 10
    - L 17,5
  • I produktgrupper
  • Adaptere og rørkoblinger
  • Anmeldelser

Andre købte også:

Log ind
Vælg land