T-Kobling 1/2 Udv-Udv-Ind Messing i gruppen Hydraulik / Pneumatik / Adaptere og rørkoblinger hos Sagroparts (MWA1708)
Video

T-Kobling 1/2 Udv-Udv-Ind Messing

88 DKK
Inkl. moms
3–6 arbejdsdagers levering Sporing hele vejen med PostNord
 
Læg i indkøbsvognen
Lägg i kundvagnen
bet alt
  • Info
  • Lagerstatus
    ArtikelnummerMWA1708
    ProducentMETAL WORK
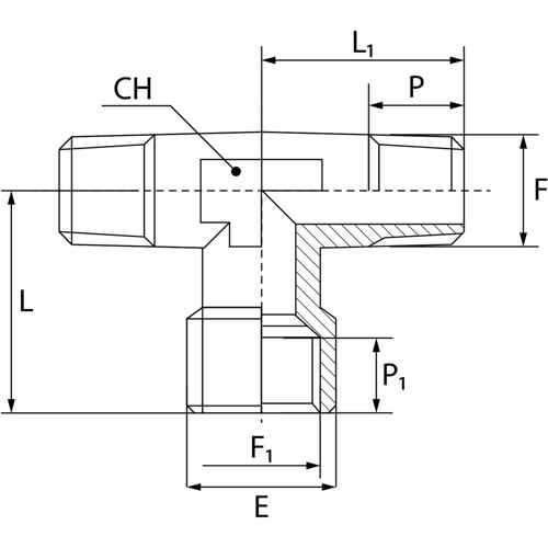
    Egenskaber
    - T-forbindelse udvendig/udvendig/indvendig gevind (A17)
    - materiale OT58 messing
    - arbejdstryk maks. 60 bar
    - gevind G 1/2"

    Mål (mm):
    - F 1/2"
    - F1 1/2"
    - CH 20
    - P 13
    - P1 11
    - L 36
    - L1 30
    - E 25,5
  • I produktgrupper
  • Adaptere og rørkoblinger
  • Anmeldelser

Andre købte også:

Log ind
Vælg land