Vinkelkobling 3/8 90 Inv Messing i gruppen Hydraulik / Pneumatik / Adaptere og rørkoblinger hos Sagroparts (MWA906)
Video

Vinkelkobling 3/8 90 Inv Messing

61 DKK
Inkl. moms
3–6 arbejdsdagers levering Sporing hele vejen med PostNord
 
Læg i indkøbsvognen
Lägg i kundvagnen
bet alt
  • Info
  • Lagerstatus
    ArtikelnummerMWA906
    ProducentMETAL WORK
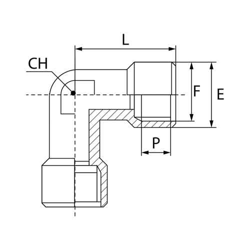
    Egenskaber
    - 90° vinkelnippel indvendig/indvendig gevind (A9)
    - materiale OT58 messing
    - arbejdstryk maks. 60 bar
    - gevind G 3/8"

    Mål (mm):
    - F 3/8"
    - CH 15
    - P 10
    - L 30
    - E 20,5
  • I produktgrupper
  • Adaptere og rørkoblinger
  • Anmeldelser

Andre købte også:

Log ind
Vælg land