Y-Fitting 1/2 Udv Messing i gruppen Hydraulik / Pneumatik / Adaptere og rørkoblinger hos Sagroparts (MWA2308)
Video

Y-Fitting 1/2 Udv Messing

103 DKK
Inkl. moms
3–6 arbejdsdagers levering Sporing hele vejen med PostNord
 
Læg i indkøbsvognen
Lägg i kundvagnen
bet alt
  • Info
  • Lagerstatus
    ArtikelnummerMWA2308
    ProducentMETAL WORK
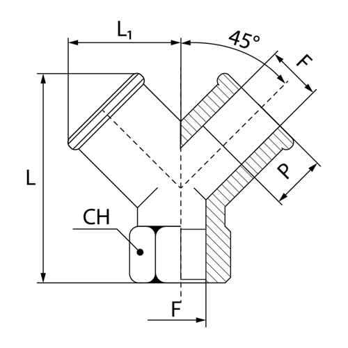
    Egenskaber
    - 90° Y-samling indvendig gevind (A23)
    - materiale OT58 messing
    - arbejdstryk maks. 60 bar
    - gevind G 1/2"

    Mål (mm):
    - F 1/2"
    - CH 25
    - P 14
    - L 44,5
    - L1 26,5
  • I produktgrupper
  • Adaptere og rørkoblinger
  • Anmeldelser

Andre købte også:

Log ind
Vælg land