Hovedafbryder Elektronisk 24V Pos Og Neg i gruppen Maskine- og traktortilbehør / Batterier og el-tilbehør / Afbrydere og relæer hos Sagroparts (ST0095-24)
Video

Hovedafbryder Elektronisk 24V Pos Og Neg

3195 DKK
Inkl. moms
3–6 arbejdsdagers levering Sporing hele vejen med PostNord
 
Læg i indkøbsvognen
Lägg i kundvagnen
bet alt
  • Info
  • Lagerstatus
    ArtikelnummerST0095-24
    Producent
    Egenskaber
    - 24V
    - maks. 250 A / 2500 A (3 sek.)
    - driftstemperatur -30...+60 °C
    - beskyttelsesklasse IP65
    - 4 monteringshuller 8,5 mm
    - afstand mellem monteringshuller 60 x 95 mm
    - mål 144 x 95 x 98,5mm

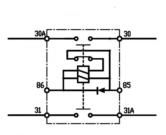
    Hovedstrømafbryderen afbryder både POS og NEG

    Polernes mærkning
    - 30A Positiv fra batteri M10
    - 31A Negativ fra batteri M10
    - 30 Positiv M10
    - 31 Negativ M10
    - 86 Styrestrøm positiv M5
    - 85 Styrestrøm negativ (jord) M5

    OBS: Kontroller tilslutningen af styrestrømmen, afbryderen går i stykker, hvis den er forkert tilsluttet
  • I produktgrupper
  • Afbrydere og relæer
  • Anmeldelser

Andre købte også:

Log ind
Vælg land