Luftfilter Komplet 90 Grader i gruppen Maskine- og traktortilbehør / Brændstof og udstødningssystem / Luftfilter hos Sagroparts (DFG082580)
Video

Luftfilter Komplet 90 Grader

2490 DKK
Inkl. moms
3–6 arbejdsdagers levering Sporing hele vejen med PostNord
 
Læg i indkøbsvognen
Lägg i kundvagnen
bet alt
  • Info
  • Lagerstatus
    ArtikelnummerDFG082580
    ProducentDONALDSON
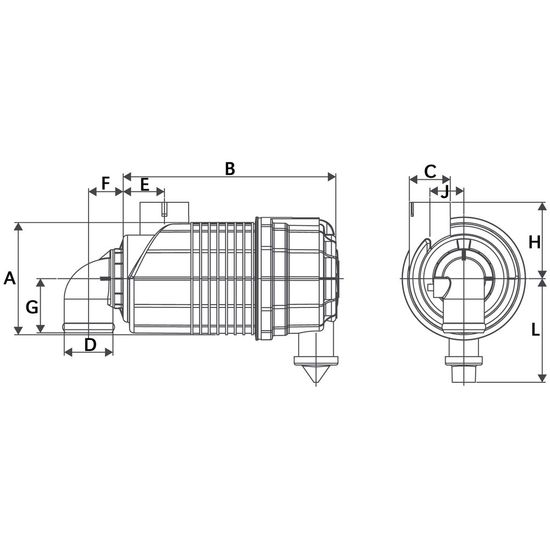
    Egenskaber
    - 90°
    - luftstrøm 4,0 - 7,5 m³/min
    - indeholder filter

    mål mm:
    - A 213
    - B 369
    - C 95
    - D 89
    - E 53,4
    - F 53,5
    - G 105
    - H 138
    - J 57
    - L 183
    - X° 355

    Reservedele / Tilbehør:
    - passende filter: ydre DFP828889, indre DFP829333
    - passende fastspænding DFP777732
  • I produktgrupper
  • Luftfilter
  • Anmeldelser

Tilbehør og reservedele

Andre købte også:

Luftfilter 100X270, sikrer ren luft i din maskine for optimal ydelse.
649 DKK
Køb!
Info
Luftfilter 77X186 designet til optimeret ydelse i køretøjer.
494 DKK
forrenseren sparer på maskinens egentlige luftfilter
Køb!
Info
Luftfilter 76X270 til effektiv luftfiltrering og rengøring i maskiner.
761 DKK
Køb!
Info
Log ind
Vælg land