Rillekugleleje 15X35X11 Skf i gruppen Maskine- og traktortilbehør / Lejer / Kuglelejer hos Sagroparts (SKFW6202-2RS1)
Video

Rillekugleleje 15X35X11 Skf

446 DKK
Inkl. moms
3–6 arbejdsdagers levering Sporing hele vejen med PostNord
 
Læg i indkøbsvognen
Lägg i kundvagnen
bet alt
  • Info
  • Lagerstatus
    ArtikelnummerSKFW6202-2RS1
    Producent
    Egenskaber
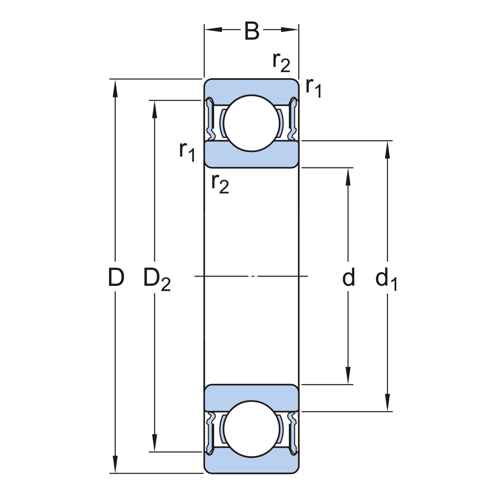
    Mål:
    - huldiameter (d) 15 mm
    - yderdiameter (D) 35 mm
    - bredde (B) 11 mm
    - inderringens skuldrediameter (d1) 21,7 mm
    - diameteren for frigivelsen af inderringens skulder (d2) 21,7 mm
    - diameteren for frigivelsen af yderringens skulder (D2) 31,4 mm
    - yderringens facemål (r1,2) min. 0,6 mm

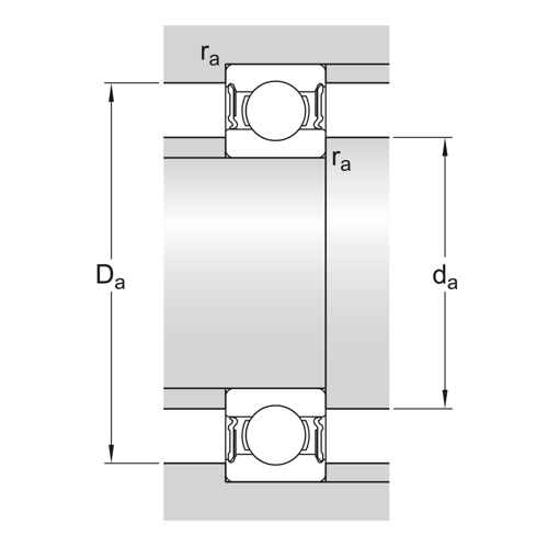
    Indbygningsmål:
    - akslens indbygningsdiameter (da) min. 19 mm
    - akslens indbygningsdiameter (da) max. 21,5 mm
    - indbygningsdiameter for hus (Da) max. 32 mm
    - kileradius (ra) max. 0,6 mm

    Beregnede data:
    - dynamisk bæretal (C) 6,37 kN
    - statisk bæretal (C0) 3,6 kN
    - udmattelsesbelastning (Pu) 0,156 kN
    - grænsehastighed 13000 r/min
    - beregningsfaktor (kr) 0,03
    - beregningsfaktor (f0) 12,9
  • I produktgrupper
  • Kuglelejer
  • Anmeldelser

Andre købte også:

Log ind
Vælg land