Rillekugleleje 17X40X12 Skf i gruppen Maskine- og traktortilbehør / Lejer / Kuglelejer hos Sagroparts (SKFW6203-2RS1)
Video

Rillekugleleje 17X40X12 Skf

505 DKK
Inkl. moms
3–6 arbejdsdagers levering Sporing hele vejen med PostNord
 
Læg i indkøbsvognen
Lägg i kundvagnen
bet alt
  • Info
  • Lagerstatus
    ArtikelnummerSKFW6203-2RS1
    Producent
    Egenskaber
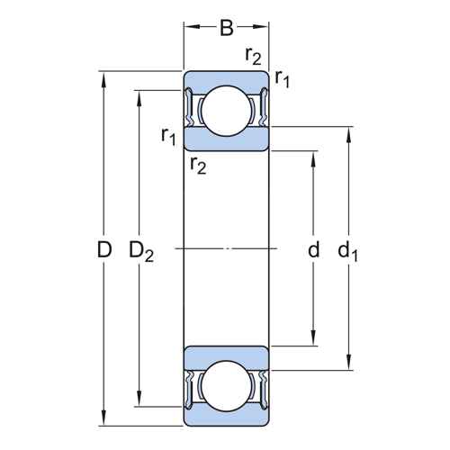
    Mål:
    - huldiameter (d) 17 mm
    - yderdiameter (D) 40 mm
    - bredde (B) 12 mm
    - inderringens skuldrediameter (d1) 24,9 mm
    - diameteren for frigivelsen af inderringens skulder (d2) 24,9 mm
    - diameteren for frigivelsen af yderringens skulder (D2) 35,8 mm
    - yderringens facemål (r1,2) min. 0,6 mm

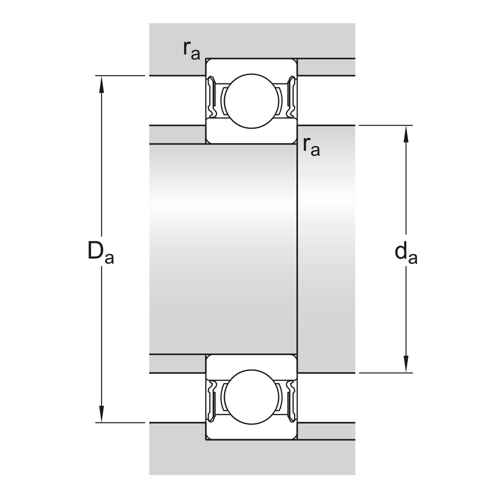
    Indbygningsmål:
    - akslens indbygningsdiameter (da) min. 21 mm
    - akslens indbygningsdiameter (da) max. 24,5 mm
    - indbygningsdiameter for hus (Da) max. 37,5 mm
    - kileradius (ra) max. 0,6 mm

    Beregnede data:
    - dynamisk bæretal (C) 8,06 kN
    - statisk bæretal (C0) 4,75 kN
    - udmattelsesbelastning (Pu) 0,2 kN
    - grænsehastighed 12000 r/min
    - beregningsfaktor (kr) 0,03
    - beregningsfaktor (f0) 13,1
  • I produktgrupper
  • Kuglelejer
  • Anmeldelser

Andre købte også:

Log ind
Vælg land