Rillekugleleje 25X42X9 Skf i gruppen Maskine- og traktortilbehør / Lejer / Kuglelejer hos Sagroparts (SKF61905-2RS1)
Video

Rillekugleleje 25X42X9 Skf

447 DKK
Inkl. moms
3–6 arbejdsdagers levering Sporing hele vejen med PostNord
 
Læg i indkøbsvognen
Lägg i kundvagnen
bet alt
  • Info
  • Lagerstatus
    ArtikelnummerSKF61905-2RS1
    Producent
    Egenskaber
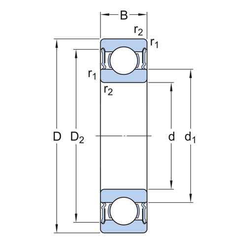
    Mål:
    - huldiameter (d) 25 mm
    - yderdiameter (D) 42 mm
    - bredde (B) 9 mm
    - inderringens skulderdiameter (d1) 30,25 mm
    - diameter for frigørelsen af yderringens skuldre (D2) 37,7 mm
    - yderringens fasemål (r1,2) min. 0,3 mm

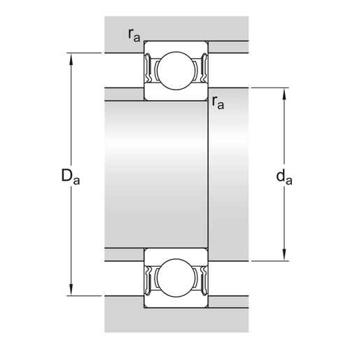
    Indbygningsmål:
    - akslens indbygningsdiameter (da) min. 27 mm
    - akslens indbygningsdiameter (da) max. 29 mm
    - indbygningsdiameter for hus (Da) max. 40 mm
    - kærneradius (ra) max. 0,3 mm

    Beregnet data:
    - dynamisk bæretal (C) 7,02 kN
    - statisk bæretal (C0) 4,3 kN
    - udmattelsesbelastning (Pu) 0,193 kN
    - grænseomdrejningstal 10000 r/min
    - beregningsfaktor (kr) 0,02
    - beregningsfaktor (f0) 14,7
  • I produktgrupper
  • Kuglelejer
  • Anmeldelser

Andre købte også:

Log ind
Vælg land