Rillekugleleje 25X52X15 Skf i gruppen Maskine- og traktortilbehør / Lejer / Kuglelejer hos Sagroparts (SKFW6205-2RS1)
Video

Rillekugleleje 25X52X15 Skf

795 DKK
Inkl. moms
3–6 arbejdsdagers levering Sporing hele vejen med PostNord
 
Læg i indkøbsvognen
Lägg i kundvagnen
bet alt
  • Info
  • Lagerstatus
    ArtikelnummerSKFW6205-2RS1
    Producent
    Egenskaber
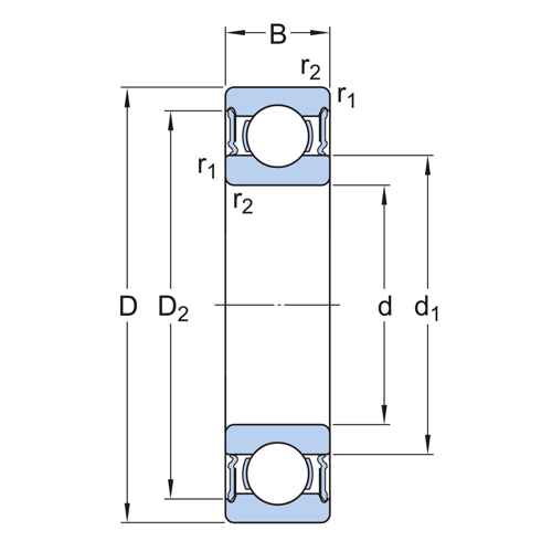
    Mål:
    - huldiameter (d) 25 mm
    - yderdiameter (D) 52 mm
    - bredde (B) 15 mm
    - inderringens skuldrediameter (d1) 34 mm
    - diameteren for frigivelsen af inderringens skulder (d2) 34 mm
    - diameteren for frigivelsen af yderringens skulder (D2) 45,72 mm
    - yderringens facemål (r1,2) min. 1 mm

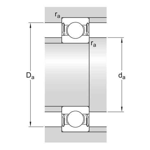
    Indbygningsmål:
    - akslens indbygningsdiameter (da) min. 30 mm
    - akslens indbygningsdiameter (da) max. 33,5 mm
    - indbygningsdiameter for hus (Da) max. 47 mm
    - kileradius (ra) max. 1 mm

    Beregnede data:
    - dynamisk bæretal (C) 11,7 kN
    - statisk bæretal (C0) 7,65 kN
    - udmattelsesbelastning (Pu) 0,335 kN
    - grænsehastighed 8500 r/min
    - beregningsfaktor (kr) 0,03
    - beregningsfaktor (f0) 13,8
  • I produktgrupper
  • Kuglelejer
  • Anmeldelser

Andre købte også:

Log ind
Vælg land