Rillekugleleje 30X55X9 Skf i gruppen Maskine- og traktortilbehør / Lejer / Kuglelejer hos Sagroparts (SKF16006)
Video

Rillekugleleje 30X55X9 Skf

275 DKK
Inkl. moms
3–6 arbejdsdagers levering Sporing hele vejen med PostNord
 
Læg i indkøbsvognen
Lägg i kundvagnen
bet alt
  • Info
  • Lagerstatus
    ArtikelnummerSKF16006
    Producent
    Egenskaber
    Mål:
    - huldiameter (d) 30 mm
    - yderdiameter (D) 55 mm
    - bredde (B) 9 mm
    - inderringens skuldrediameter (d1) 37,7 mm
    - inderringens skuldrediameter/husbrikens indvendige diameter (D1) 47,3 mm
    - yderrings affasningsmål (r1,2) min. 0,3 mm

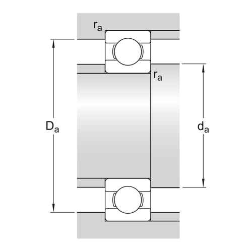
    Indbygningsmål:
    - akslens indbygningsdiameter (da) min. 32 mm
    - indbygningsdiameter for hus (Da) max. 53 mm
    - kærveradius (ra) max. 0,3 mm

    Beregnet data:
    - dynamisk bæretal (C) 11,9 kN
    - statisk bæretal (C0) 7,35 kN
    - udmattelsesbelastning (Pu) 0,31 kN
    - referensomdrejningstal 28000 o/min
    - grænseomdrejningstal 17000 o/min
    - beregningsfaktor (kr) 0,02
    - beregningsfaktor (f0) 15
  • I produktgrupper
  • Kuglelejer
  • Anmeldelser

Andre købte også:

Log ind
Vælg land