Rillekugleleje 30X72X19 Skf i gruppen Maskine- og traktortilbehør / Lejer / Kuglelejer hos Sagroparts (SKF6306-2RS1C3)
Video

Rillekugleleje 30X72X19 Skf

264 DKK
Inkl. moms
3–6 arbejdsdagers levering Sporing hele vejen med PostNord
 
Læg i indkøbsvognen
Lägg i kundvagnen
bet alt
  • Info
  • Lagerstatus
    ArtikelnummerSKF6306-2RS1C3
    Producent
    Egenskaber
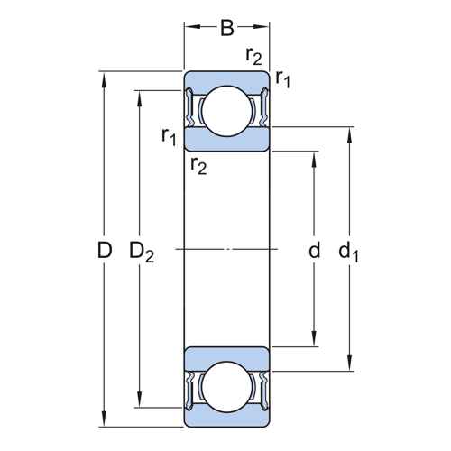
    Mål:
    - huldiameter (d) 30 mm
    - yderdiameter (D) 72 mm
    - bredde (B) 19 mm
    - inderringens skulderdiameter (d1) 44,6 mm
    - diameteren for frigivelsen af yderringens skulder (D2) 61,88 mm
    - yderringens fasmål (r1,2) min. 1,1 mm

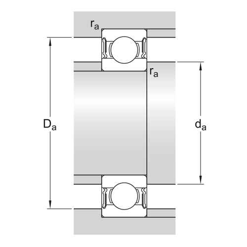
    Indbygningsmål:
    - akslens indbygningsdiameter (da) min. 37 mm
    - akslens indbygningsdiameter (da) max. 44,5 mm
    - indbygningsdiameter for hus (Da) max. 65 mm
    - kærveradie (ra) max. 1 mm

    Beregnet data:
    - dynamisk bæretal (C) 29,6 kN
    - statisk bæretal (C0) 16 kN
    - trætningsbelastning (Pu) 0,67 kN
    - grænsefart 6300 o/min
    - beregningsfaktor (kr) 0,03
    - beregningsfaktor (f0) 13,1
  • I produktgrupper
  • Kuglelejer
  • Anmeldelser

Andre købte også:

Log ind
Vælg land