Sporkugleleje 60X130X31 i gruppen Maskine- og traktortilbehør / Lejer / Kuglelejer hos Sagroparts (L6312-2RS)
Video

Sporkugleleje 60X130X31

988 DKK
Inkl. moms
3–6 arbejdsdagers levering Sporing hele vejen med PostNord
 
Læg i indkøbsvognen
Lägg i kundvagnen
bet alt
  • Info
  • Lagerstatus
    ArtikelnummerL6312-2RS
    Producent
    Egenskaber
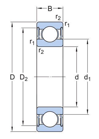
    Mål:
    - huldiameter (d) 60 mm
    - yderdiameter (D) 130 mm
    - bredde (B) 31 mm
    - inderringens skulderdiameter (d1) 81,86 mm
    - diameter for åbningen af yderringens skulder (D2) 112,2 mm
    - yderringens fasmål (r1,2) min. 2,1 mm

    Indbygningsmål:
    - akslens indbygningsdiameter (da) min. 72 mm
    - akslens indbygningsdiameter (da) max. 81,8 mm
    - indbygningsdiameter for hus (Da) max. 118 mm
    - kælradius (ra) max. 2 mm

    Beregnet data:
    - dynamisk bæreevnetal (C) 85,2 kN
    - statisk bæreevnetal (C0) 52 kN
    - udmattelsesbelastning (Pu) 2,2 kN
    - grænseomdrejningstal 3400 r/min
    - beregningsfaktor (kr) 0,03
    - beregningsfaktor (f0) 13,1
  • I produktgrupper
  • Kuglelejer
  • Anmeldelser

Andre købte også:

Log ind
Vælg land