Hydraulikpumpe A52
1851 DKK
Inkl. moms
Sporing hele vejen med PostNord
3–6 arbejdsdagers levering
- Info
-
LagerstatusArtikelnummerT3448XLProducentTK&KEgenskaber- større model
- rotationskapacitet cm3/r: 22,5 (1 cm3/r = 0,001 l)
- max. tryk konstant: 180 bar (P1)
- max. tryk midlertidig: 190 bar (P2)
- max. tryk top: 210 bar (P3)
- max. konstant o/min: 2000 (P1)
- max. midlertidig o/min: 2400 (P2)
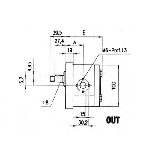
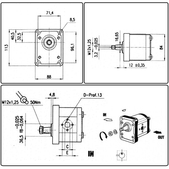
- A: 56,5 mm
- B: 117 mm
- C: 20 mm
- D: M8
- E: 39,7 mm
- vægt 3,8 kg - Passer til
-
Fiat New Holland 100-90
Fiat New Holland 110-90
Fiatagri 115-90
Fiatagri 130-90
Fiatagri 140-90
Fiatagri 160-90
Fiatagri 180-90
Fiatagri 90-90
- I produktgrupper
-
Fiat - Fiatagri
Hydraulikpumper
- OEM-nummer
-
FI 2TK22S
- Anmeldelser
-