Kragbøsning for O-ring / T-ring tætning, PVC-U, støbte i gruppen Skov & have / Vanding / Vandkoblinger hos Sagroparts (40504050538)
Video

Kragbøsning for O-ring / T-ring tætning, PVC-U, støbte

1510 DKK
Inkl. moms
3–6 arbejdsdagers levering Sporing hele vejen med PostNord
 
Læg i indkøbsvognen
Lägg i kundvagnen
bet alt
  • Info
  • Lagerstatus
    Artikelnummer40504050538
    Producent
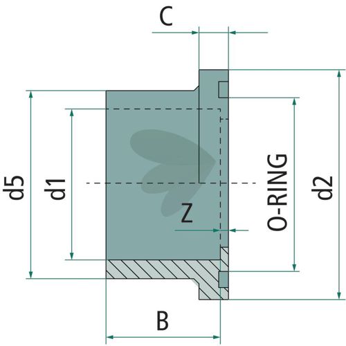
    EgenskaberIndre Ø (mm): 250
    B (mm): 131
    C (mm): 23
    d5 (mm): 274
    passende O-ring & T-ring: 266 x 7
    Indre Ø (mm): 250
    Materiale: PVC-U
    Ydre-Ø (mm): 274
    Z (mm): 9
    Bundt-Ø (mm): 303
    d1 (mm): 250
    d2 (mm): 303
  • I produktgrupper
  • Vandkoblinger
  • Anmeldelser

Andre købte også:

Log ind
Vælg land