Kragbøsning PVC-U, støbt i gruppen Skov & have / Vanding / Vandkoblinger hos Sagroparts (40504050528)
Video

Kragbøsning PVC-U, støbt

195 DKK
Inkl. moms
1–4 arbejdsdagers levering Sporing hele vejen med PostNord
 
Læg i indkøbsvognen
Lägg i kundvagnen
bet alt
  • Info
  • Lagerstatus
    Artikelnummer40504050528
    Producent
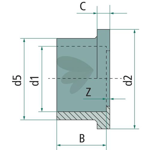
    EgenskaberIndre Ø (mm): 90
    ytre Ø (mm): 108
    d1 (mm): 90
    d2 (mm): 125
    Indre Ø (mm): 90
    B (mm): 51
    Z (mm): 5
    Bundle-Ø (mm): 125
    C (mm): 11
    d5 (mm): 108
    DN (mm): 80
    Materiale: PVC-U
  • I produktgrupper
  • Vandkoblinger
  • Anmeldelser

Andre købte også:

Log ind
Vælg land