Muffe med 2x indvendigt gevind, PVC-U i gruppen Skov & have / Vanding / Vandkoblinger hos Sagroparts (40504051493)
Video

Muffe med 2x indvendigt gevind, PVC-U

108 DKK
Inkl. moms
Sporing hele vejen med PostNord 3–6 arbejdsdagers levering
 
Læg i indkøbsvognen
Lägg i kundvagnen
bet alt
  • Info
  • Lagerstatus
    Artikelnummer40504051493
    Producent
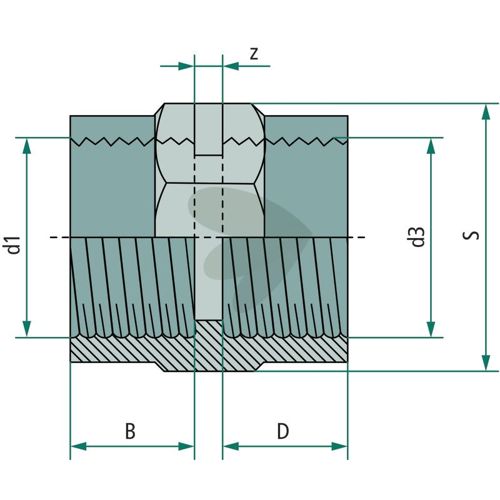
    EgenskaberInv. gevind (tommer): 3/4" - 1"
    d2 (tommer): 1"
    D (mm): 22
    Inv. gevind (tommer): 3/4" ? 1"
    B (mm): 16
    Nøglevidde (mm): 46
    Arbejdertryk maks. (bar): 10
    Z (mm): 7
    Materiale: PVC-U
    Ø d1 (tommer): 3/4"
  • I produktgrupper
  • Vandkoblinger
  • Anmeldelser

Andre købte også:

Log ind
Vælg land